
1

2

4

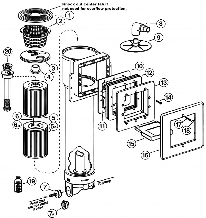
5a

CARTRIDGE 4 15/16" X 4 5/8" 35 SQ FT
FILBUR MANUFACTURING LLC #APCC7047 (Part #5a)
Manufacturer SKU: FC-2386
5

CARTRIDGE 4 15/16" X 6 5/8" 50 SQ FT
FILBUR MANUFACTURING LLC #APCC7062 (Part #5)
Manufacturer SKU: FC-2387
6a

6

15

12

13

14

16
