
1

2

3

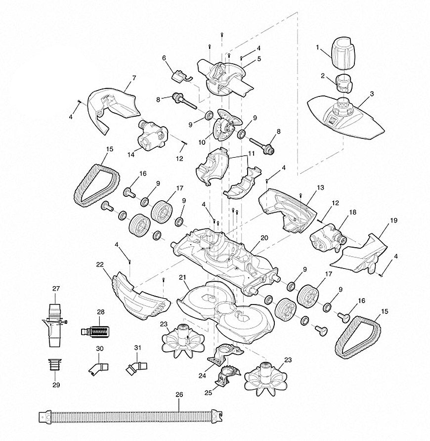
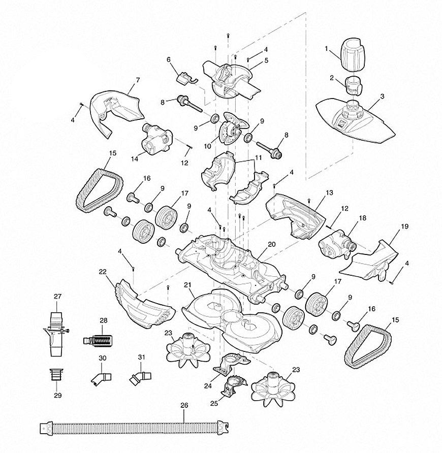
4

SCREW, M4X12MM, PHILLIPS #2 PAN HEAD
ZODIAC POOL SYSTEMS LLC #R0527100 (Part #4)
Manufacturer SKU: R0527100

5

MIDDLE ENGINE HOUSING W/ 2 SEALS
ZODIAC POOL SYSTEMS LLC #R0545700 (Part #5)
Manufacturer SKU: R0545700
5

6

7

8

9

10
